CAPRARI MEC-A4/100A

Livraison en 2 à 8 jours
SKU: MEC-A4/100A
Prix 0,00 zł TTC

Vous cherchez quelque chose et vous ne l'avez pas trouvé ? Contactez-nous. Nous travaillons sur notre boutique et ajoutons de nouveaux produits chaque jour.

Écrivez-nous sklep@agri-express.com

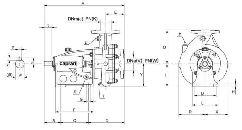
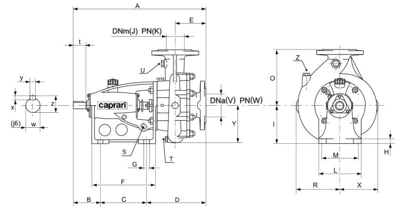
Pompe multicellulaire CAPRARI MEC-A4/100A

Raccord d'aspiration : DN125
Raccordement sous pression : DN100
Diamètre de l'arbre : 32 mm
Vitesse de rotation maximale : 2200 tr/min

Données de performance :
1450 tr/min
m³/h - bar
72 - 3,8
108 - 3,7
144 - 3,4

1750 tr/min
m³/h - bar
72 - 5,4
108 - 5,4
144 - 5.2
180 - 4,9

Les spécifications exactes de capacité en m³ se trouvent dans les tableaux de capacité des sprinklers correspondants.
La pompe est conçue pour fonctionner avec un arbre de transmission à cardan.

Un niveau de performance, de fiabilité et de durabilité exceptionnel.
Pompes centrifuges multicellulaires à installation horizontale, avec un corps d'aspiration monocellulaire. Montées sur un socle massif assurant une stabilité optimale lorsqu'elles sont entraînées par un moteur à combustion.
Cette pompe est le fruit de nombreuses années d'expérience en matière de planification et de construction.
La turbine « A » permet un fonctionnement à des régimes moteur réduits, ce qui a un impact positif significatif sur la consommation de carburant.